BZ-8-4040-ERB铝型材:要用于工业生产制造用的,如自动化机械设备、封罩的骨架以及各公司根据自己的机械设备要求定制开模,比如流水线输送带、提升机、点胶机、检测设备、货架等等,电子机械行业和无尘室用得居多。
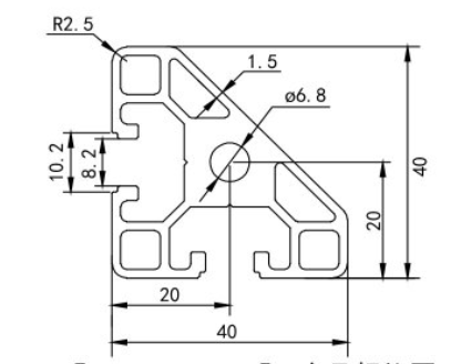
BZ-8-4040-ERB
长度: 6.02m
铝型材标准: 欧标
材料: 6063-T5
单位质量: 1.56kg/m
产品价格: 电话咨询
应用范围: 适用于轻型结构的框架组合
产品中心
长度: 6.02m
铝型材标准: 欧标
材料: 6063-T5
单位质量: 1.56kg/m
产品价格: 电话咨询
应用范围: 适用于轻型结构的框架组合
BZ-8-4040-ERB铝型材:要用于工业生产制造用的,如自动化机械设备、封罩的骨架以及各公司根据自己的机械设备要求定制开模,比如流水线输送带、提升机、点胶机、检测设备、货架等等,电子机械行业和无尘室用得居多。
BZ-8-4040-ERB铝型材:
其材质含量为: 硅(baiSi)0.2-0.6% 、铁(Fe)0.35% 、 铜(Cu) 0.1%、 锰(Mn)0.1%、 镁(Mg)0.45-0.9%、铬(Cr)0.1%、 锌(Zn)0.1%、 钛(Ti)0.1%,其他金属物质占总比例0.15%, 铝(Al)97.35--98.35%。高强度高承载能力,易阳极氧化做色



01检验设备
从原材料微观的晶粒检测开始,到成品交付客户手中。专业的检测设备贯穿产品生产的全程。检测设备有斯派克光谱分析仪,高倍显微镜,硬度仪,涡流测厚仪,拉力检测仪,投影仪,三坐标等
03产品齐全
欧标、国标规格齐全的自动化和通用铝型材,客户选择面宽广
05厂家自营
提供铝型材及配件一站式采购,来料精、深加工。专业资深技术背景提供模具定制开发、设计、生产
02研发实力
公司技术团队深耕产品设计、研发,贴近客户的产品品质需求
04资质证书
ISO9001质量认证,完善的质量追踪体系,可以溯源到制造过程的每一个环节
06美丽工厂
40000平漂亮的精益生产环境是团队制造优质产品的信心保障
07加工实力
业内专业标杆设备确保制造加工精度